Powered by Smartsupp

Hopsdrop - Container for cold hopping
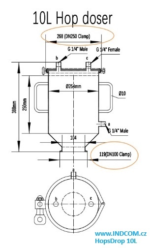
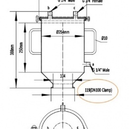
Hops Drop 10L

  • Code: HD_10
  • Weight: 14,00 kg

The container for cold hopping is to be connected to the upper arched bottom of the tank and for dosing granulated hops during pressure equalization.

We have created a website for you just about Hops Drop and Hops Master!

 👉 Click on www.hopsmaster.fr and www.hopsmaster.eu

Quantity
579,32 €
700,97 € incl. VAT
IN STOCK

Basic information

The container for cold hopping is to be connected to the upper arched bottom of the tank and for dosing granulated hops during pressure equalization.

The HopsDrop generally consists of a DN 100 butterfly valve that is fixed on the fermenter (can be adjusted according to your connection on the fermenter). Additionally, the HopsDrop has a 1/4" BSP CO2 valve at the bottom that pushes oxygen into the 1/4" BSP valve at the top of the lid. A 0-4Bar manometer is also installed on the cover.

For more information please contact

Ing. Milan Janů, tel: 739 518 466, or mjanu@water4life.cz

We care about your privacy

We need your consent to the use of cookies so that we can better customize the website for you and make it easier to use. By clicking the "I agree" button, you agree to save cookies in your browser, thanks to which you can use the website's potential to the fullest. Details can be found on the page "Information about cookies".